-
Air Hoists & Trolleys
-
Drum Lifting Overhead
-
Intelligent Lift Assist Devices
-
Vacuum Lifting Devices
- Electric Hoists & Trolleys
- Forklift Jibs
- Goods Lifting Cages
- Hand Hoists & Trolleys
- Jib Cranes
- Lifting Attachments & Clamps
- Lightweight Crane Systems
- Load Restraints
- Load Rotators
- Magnetic Lifters
- Manipulator Arms
- Rigging Equipment
- Solar & Construction Ladder Lifts
- Winches
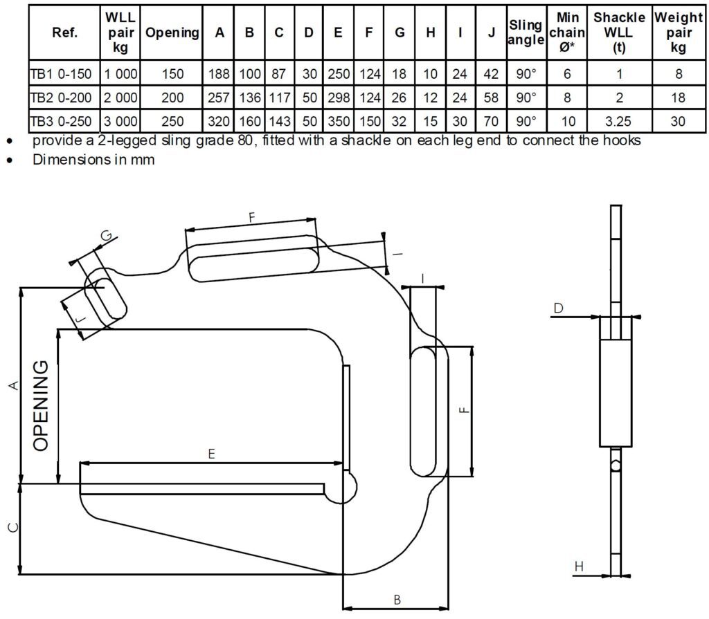
Lifting Hooks Pipes and Tubes
+ Add to Quote Request
With polyurethane pads on gripping surface (optional)







Lifting Hooks for horizontal handling of pipes and tubes of various materials.
The hooks are fitted with a large opening and large load-bearing surface and an integrated handle to make handling easier.
It is possible to supply the hooks with polyurethane coating to the gripping surface to protect the material being lifted.
Additional Information

Product Variations
agg.5
Related Products
-

Roll Lifting and Turning – Telescoping Reels
Roll Lifting and Turning – Telescoping Reels -

Electric Chain Hoists – Entertainment
Electric Chain Hoists – Entertainment -

Downpipe Protectors
Downpipe Protectors -

Load Skates – Air Film Movers
Load Skates – Air Film Movers -

Lifting Clamp Multi-Position
Lifting Clamp Multi-Position








